Page 260 - Lankhorst/Hohorst Hauptkatalog 2017-2018
P. 260

6 BATTERIEN





                                        279                        270  278

































                    230 V























                                                                                                      12 V







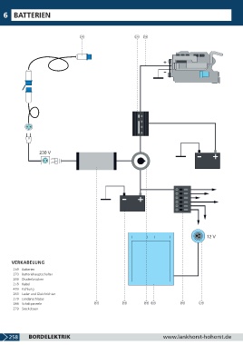
       VERKABELUNG
        259   Batterien
        270   Batteriehauptschalter
        269   Diodenbrücken
        278   Kabel
        459   Kühlung
        263   Lader und Gleichrichter
        279   Landanschlüsse
        286   Schaltpaneele                    263           259        269  459          286      279
        279   Steckdosen






     258       BORDELEKTRIK                                                      www.lankhorst-hohorst.de
   255   256   257   258   259   260   261   262   263   264   265